«У него золотые руки» — так говорят о мастерах, которые из подручных материалов способны собрать чудо современной техники. Несмотря на обилие в магазинах недорогого готового оборудования, умельцы-самоучки успешно проектируют и создают бытовые приборы, агрегаты для садового участка и весьма эффективные устройства для мастерской.
Оказывается, собрать пылесос своими руками тоже можно. Главное – разобраться в конструкции, подыскать необходимые детали и выделить немного свободного времени. Предлагаем три интересные модели для самостоятельных экспериментов.
Строительный пылесос из старого бытового
Если постоянно имеешь дело с техникой, становятся понятными особенности конструкции и принципы работы.
И при необходимости уже не будешь тратить деньги на брендовый строительный пылесос, а за пару вечеров смастеришь устройство, по характеристикам не уступающее раскрученному «уборщику».

Для сравнения – популярный среди потребителей KARCHER MV3P с 17-литровым баком и мощностью потребления 1000 Вт стоит около 7 тыс. руб. Если не покупать запчасти для самоделки, а взять старые детали, пылесос получится почти бесплатным
Так поступил и автор строительной модели, работающей на основе вышедшего из строя пылесоса «Вихрь». Предлагаем познакомиться с процессом изготовления строительного пылесоса.
При изготовлении самоделки следует учесть особенности помещения и некоторые нюансы подборки и крепления отдельных элементов конструкции. Далее приведены полезные рекомендации для сборки пылесоса.
Галерея изображенийФото из При изготовлении прибора следует определиться с оптимальной длиной провода для подключения к сети питания. Учитывая при этом размеры помещений, где пылесосу предстоит убирать Если у вас имеется неплохой пылесос для строительного мусора, но его возможностей не хватает для реализации необходимых вам задач, всегда можно его доработать. Для чего соорудить циклонный фильтр из пластикового ведра нужного объема Не обязательно покупать строительную модель уборочной техники, можно соорудить циклонный фильтр и скомбинировать его с обычным бытовым пылесосом. Для удобства разместить их вместе, поставив на самодельную тележку Если вместо обычного гофрошланга взять старый или купить новый шланг для пылесоса и прикрепить его к самодельной конструкции, то уборка в гараже или мастерской будет еще и удобной. И это благодаря эргономичной ручке Для очистки помещения от мусора после ремонта можно соорудить самодельный аквафильтр. Взяв для этого старый пластиковый ящик для инструментов. Такое изобретение позволит максимально очистить комнату не только от грязи, но и от пыли В самодельном пылесосе обязательным элементом является фильтр. Он предназначен для защиты мотора. Можно не покупать специальный, а взять автомобильный При сборке пылесоса-самоделки важно обеспечить герметичность каждому узлу. Для чего можно использовать силиконовый герметик Большую маневренность самодельному уборщику обеспечит наличие в его конструкции больших колес. Если же габариты гаража/мастерской позволяют, то можно приспособить для перевозки самодельную тележку Длинный шнур питанияДоработанный пылесосБытовой пылесос с фильтром-самоделкойШланг с удобной ручкойПылесос с самодельным аквафильтромХороший фильтр для самоделкиЦиклонный фильтр из пластикового ведраБольшие колеса у пылесоса
Что понадобится для переделки?
Буквально все изделия, участвующие в модернизации, уже были использованы, следовательно, не требуют затрат на приобретение. Если каких-то деталей не нашлось под рукой, их можно купить за копейки на интернет-площадке распродаж или найти на свалке.
Правда рекомендуется все-таки использовать новый фильтр – для качественной работы пылесоса, а также прикупить некоторые мелочи: розетку, детали для электроплаты, провода, крепежные элементы.
Общие расходы на закупку новых деталей составили 800 руб., причем самым дорогим элементом оказалась розетка – 350 руб. Детали для платы обошлись в 250 руб., фильтр – 200 руб.
Галерея изображенийФото из Одна из значимых частей агрегата – двигатель, обеспечивающий всасывание воздуха. Лучше всего взять его в готовом виде, используя старую «списанную» технику. Главное, чтобы мотор работал Накопительная емкость необходима для сбора строительного мусора, пыли, опилок. В мастерской или во время ремонта грязи много, поэтому объем должен быть большим. Здесь – бочка из-под кабеля на 40 л Схему можно собрать предварительно, присоединив к ней переключатель. Она устанавливается внутри корпуса и служит для регулировки работы агрегата Роль фильтрующего элемента сыграет автомобильный фильтр. Он подходит по прочности благодаря армирующей сетке. Внутренний диаметр – около 90 мм Старый пылесос в собранном состоянииНакопительный бак из металлической бочкиЭлектрическая схема пылесоса с переключателемВоздушный фильтр для автомобиля
Кроме перечисленных деталей потребуется розетка, кусок резинового автомобильного коврика для прокладки, инструмент для работы:
- дрель с набором коронок и сверл;
- шуруповерт;
- электролобзик;
- карандаш с линейкой, циркуль.
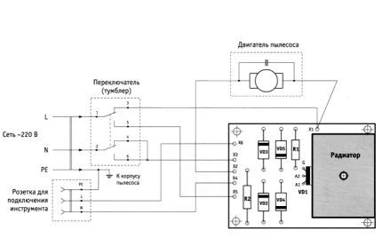
В качестве крепежных элементов будут не только саморезы, но и болты, поэтому для затягивания гаек потребуются ключи нужного размера. Для подключения отдельных элементов — переключателя, электронной платы и сетевого кабеля – заранее необходимо начертить схему.

Схема подключения. Переключатель устанавливается в двух позициях: первая просто включает пылесос, вторая обеспечивает синхронное включение строительного электроинструмента с пылесосом
Для того чтобы усовершенствование старого прибора порадовало успешным результатом, нужно знать, как работает пылесос. Так домашнему мастеру будет понятней, что и с какой целью он модернизирует.
Пошаговая инструкция по изготовлению
Когда все детали будущего агрегата и инструменты подготовлены, можно приступать к сборке. Но для начала нужно соблюсти нормы техники безопасности – надеть спецодежду, рабочие перчатки.
Порядок работы:
Во время тестирования нужно обратить внимание на силу всасывания и герметичность мусоросборника. Если детали будут примыкать друг к другу неплотно, мощность агрегата заметно снизится.

Результат уборки: все опилки с пола успешно переместились внутрь бака. Пол абсолютно чистый, а объема мусоросборника достаточно, чтобы еще не раз привести мастерскую в порядок
Но необходимо произвести еще одно тестирование – с электроинструментом.
Вставляем вилку электролобзика или дисковой пилы в розетку на корпусе, включаем инструмент. Вместе с ним должен автоматически заработать и пылесос.
Пылесос-циклон для мастерской
Еще один вариант строительного пылесоса, но с усложненной конструкцией. Эта замена покупной промышленной модели изготавливается из старого пылесоса, пластиковой емкости и циклонного фильтра.
Особенность кроется внутри конструкции – это металлический кожух для защиты фильтра.

Для удобства пользования самодельная модель установлена на тележку, также собранную своими руками. Благодаря такой модификации пылесос можно легко перемещать по мастерской или по двору – для уборки мусора на придомовой территории
Стоимость самоделки определяется тратами на отдельные детали. Старый, но действующий, бытовой пылесос нашелся в кладовке, пластиковый бак приобретен за 500 руб., фильтр для автомобиля «Газель» — 180 руб. Несложно подсчитать общую стоимость.
О том, как сделать циклон для пылесоса, вы узнаете из предложенной нами статьи. В ней детально описан процесс сборки.
Порядок сборки:
Галерея изображенийФото из Кроме перечисленных деталей для сборки агрегата потребуются разметочные, крепежные и режущие инструменты, которые всегда есть в арсенале домашних умельцев В крышке просверливаем небольшое отверстие. Из листа жести вырезаем лепестки, фиксируем их вместе с крепежной шпилькой на крышке. Сверху надеваем фильтр, прикручиваем Устанавливаем бачок и пылесос рядом. Всасывающий шланг от пылесоса вставляем в отверстие бачка, закрепляем. С обратной стороны крышки находится уже зафиксированный фильтр Патрубок для крепления основного всасывающего шланга изготавливаем из куска канализационной трубы. Вставляем его в отверстие бочки и закрепляем с легким наклоном внутрь. В качестве крепежа – хомут Из куска жести выкраиваем, а затем вырезаем заготовку для защиты фильтра. Скручиваем ее таким образом, чтобы фильтрующий элемент находился внутри и был защищен от мусора, летящего из шланга Оказалось, что пластиковая бочка деформируется от мощного потока мусора. Чтобы сделать ее жестче, из стальной полосы 25 мм вырезаем обруч, закрепляем его на корпусе болтами с большим шайбами Из листа толстой фанеры вырезаем небольшой кусок такой величины, чтобы на нем можно было разместить все элементы пылесоса. По углам прикручиваем четыре поворотных колесика от старого устройства Устанавливаем на тележку уже соединенные пылесос и пластиковый бак. К бачку крепим основной всасывающий шланг для уборки мусора. Самодельный хозяйственный пылесос готов Шаг 1 – подготовка деталей и инструментовШаг 2 – шпилька для крепления фильтра к крышкеШаг 3 – подключение шланга к бачкуШаг 4 – монтаж патрубка для всасывающего шлангаШаг 5 – защитный кожух для фильтраШаг 6 – обечайка для придания жесткостиШаг 7 – тележка из листа фанерыШаг 8 – общая сборка строительной модели
Для проверки функционирования самодельного агрегата осталось подключиться к электропитанию. Мощность всасывания агрегата должна быть такой же, как у старого пылесоса, если двигатель сохранил свои рабочие качества.
Если нет старого пылесоса, можно купить б/у модель по объявлению – торговые интернет-порталы предлагают множество вариантов. Скорее всего, устаревший прибор обойдется не дороже 1 тыс. руб.
С рейтингом циклонных пылесосов промышленного производства ознакомит следующая статья, прочитать которую стоит и домашним мастерам, и будущим покупателям.
Портативный «уборщик» своими руками
В качестве эксперимента можно собрать миниатюрный пылесос, который пригодится для уборки крошек, пыли или мусора со стола, полок, подоконников.
Необходимые для работы инструменты и материалы: строительный нож, ручной лобзик, клеевой пистолет, термоклей, маркер, циркуль.
Галерея изображенийФото из Для сборки потребуются пластиковая бутылка, пластиковые баночки с крышками, три шприца, маленький электродвигатель, DVD диск, пластиковая трубка Также понадобятся две части пластиковой бутылки: верхняя деталь с крышкой и кусок, вырезанный из середины Две баночки с крышками также нужно подготовить – лобзиком отрезать самые верхние части с резьбой У одного шприца отрезаем лишние части с обоих концов, у второго – только с одного К большей части бутылки (с пробкой) приклеиваем термоклеем резьбу от баночки и обрезанный наискосок патрубок из шприца Ко второму, меленькому фрагменту бутылки приклеиваем резьбу от второй баночки, с другой стороны – крышку резьбой в обратную сторону. В этой крышке проделываем отверстие и приклеиваем к нему шприц На крышку, расположенную с другой стороны корпуса, устанавливаем двигатель. Для этого просверливаем крепежные отверстия и садим его на маленькие винты DVD диск делим на 2 части, из прозрачной конструируем крыльчатку с лопастями. Лопасти крепим термоклеем. В дальнейшем ее можно покрасить акриловой краской Шаг 1 – подготовка деталейШаг 2 – разрезаем бутылку на частиШаг 3 – отрезаем верхние части у банокШаг 4 – патрубки из шприцовШаг 5 – сборка циклонной части пылесосаШаг 6 – корпус компрессораШаг 7 – монтаж двигателя на крышкуШаг 8 – крыльчатка из диска
Изготавливая все комплектующие, необходимо подгонять детали по размерам, чтобы не было зазоров после приклеивания – для хорошего всасывания необходима герметичность.
Для крепления вентилятора нужно отрезать кусочек шприца с центральным расположением иглы и приклеить его в центре стороны, противоположной той, где установлены лопасти.
Галерея изображенийФото из Соединяем своеобразный вентилятор с крышкой, на которой установлен двигатель, но с другой стороны Паяльником по всей поверхности компрессора проделываем отверстия, чтобы проходил воздушный поток Берем еще одну баночку с крышкой, в центре вырезаем отверстие и вставляем кусок бутылочной пробки с резьбой Соединяем все части резьбовыми соединениями, на патрубке закрепляем прозрачный пластиковый шланг. Пылесос готов Шаг 9 – монтаж крыльчаткиШаг 10 – отверстия в компрессореШаг 11 – пылесборник из большой баночкиШаг 12 – конструкция в сборе
Чтобы проверить работу прибора, насыпаем на стол крошки, обрывки бумаги, крупу. При включении шланг начинает засасывать мусор, который попадает в нижнюю банку – пылесборник.
Чтобы очистить ее, нужно отсоединить циклонную часть – по сути, выкрутить бутылку из пробки, а затем просто снять крышку.
Выводы и полезное видео по теме
Еще один вариант мини-пылесоса:
Особенности сборки и эксплуатации самоделок:
Отличная замена брендовой модели из пластиковых ведер и сантехнических труб:
Как видите, сделать самостоятельно мощный строительный агрегат или мини-пылесос не так уж и сложно. Главное – набраться терпения, изучить все этапы изготовления и найти немного свободного времени для домашнего эксперимента. А приборы, как доказала практика, полностью справляются со своими функциями.
Пишите, пожалуйста, комментарии в расположенном ниже блоке. Задавайте вопросы по неясным и спорным моментам, публикуйте фото по теме статьи. Расскажите о том, как собирали или модернизировали пылесос собственными руками, не исключено, что ваши советы пригодятся посетителям сайта.








